Jump to content

Welcome to RennTech.org Community, Guest

There are many great features available to you once you register at RennTech.org
You are free to view posts here, but you must log in to reply to existing posts, or to start your own new topic. Like most online communities, there are costs involved to maintain a site like this - so we encourage our members to subscribe or donate. All subscriptions and donations go to the costs operating and maintaining this site. We prefer that guests take part in our community and we offer a lot in return to those willing to join our corner of the Porsche world. This site is 99 percent member supported (less than 1 percent comes from advertising) - so please consider an annual subscription or donation to keep this site running.

Here are some of the features available - once you subscribe RennTech.org

  • View Classified Ads
  • DIY Tutorials
  • Porsche TSB Listings (limited)
  • VIN Decoder
  • Special Offers
  • Paint Codes
  • Registry
  • Videos System
  • View Reviews
  • and get rid of this welcome message

It takes just a few minutes to register, and it's quality Porsche information at a low cost.

Contributing Members also get these additional benefits:
(you become a Contributing Member by subscribing or donating money to the operation of this site)

  • No ads - advertisements are removed
  • Access the Contributors Only Forum
  • Contributing Members Only Downloads
  • Send attachments with PMs
  • All image/file storage limits are substantially increased for all Contributing Members
  • Option Codes Lookup
  • VIN Option Lookups (limited)

Recommended Posts

Posted

I have written a few times about this annoying, on going problem with my 2002, 911 996 . It started months ago, when I would get a weak , or dead battery , after driving for a while. So I got a brand new high cranking amps battery, the alternator was removed and bench tested at a shop specializing in them, I wire brushed , and checked all wiring connections ( as several guys advised ) all ok. So I thought I was out of the woods , NOT !

Again after installing the new battery, and taking it out for a drive, all was fine on initial start up, and whilst I was driving along for about the first 5 or 6 miles, then the voltage guage, I had plugged into the cigarette lighter, once again started going down. First it hovered around 13.4 or 13.5 volts, then it started dropping to about 12.9 then about 12.5 Red light, not good. The conclusion is, once the motor warms up , and has been driven for about 7 or 8 miles this happens.

I leave it overnight, start it up the next day, and once again, high voltage, and everything is fine. That is until it's driven for a while. Many folks on here kept telling me about the ground straps, and battery wiring, in particular the one that attaches behind the right rear wheel, by the wheel well ( Why they would put it there, where it's vulnerable to corrosion, and everything the wheel kicks up is anyones guess ? ) This only happens after a good run ,and warm up, and a faulty, or corroded connection, would not be affected like that would it ? I assume that would be like that at all times , if it was a resistance/corrosion problem, even on initial start up ? Therefore ,I'm thinking it could be a faulty voltage regulator, thats being somehow affected by the hot motor, after it heats up after 6 or 7 miles ? Any thoughts on this , this mystery is driving me nuts, I almost want to trade it in for a BMW, it's so bad. Any thoughts or advice ? HELP !!!! :help:

Posted (edited)

Have you tried any voltage drop test between the alternator and the battery? There's a recent very long thread here that has excellent info.

http://www.renntech.org/forums/topic/44306-my-last-report/

The major suspects are the ground strap, the cable from the alternator output to the starter, and the voltage regulator itself.

A few simple quick tests can isolate whether you lost the voltage on the ground side or the power side. Just try to read that thread first.

Edited by Ahsai
Posted

Btw, the voltage regulator does compensate for temperature. Higher temp = lower output but nothing as low as what you saw. If when you saw 12.5V, there are not much load like a/c, headlight, etc. It's more likely your alternator/regulator. Anyway, you will need to run those vdrop tests to verify.

Posted

This only happens after a good run ,and warm up, and a faulty, or corroded connection, would not be affected like that would it ? I assume that would be like that at all times , if it was a resistance/corrosion problem, even on initial start up ? Therefore ,I'm thinking it could be a faulty voltage regulator, thats being somehow affected by the hot motor, after it heats up after 6 or 7 miles ? Any thoughts on this , this mystery is driving me nuts, I almost want to trade it in for a BMW, it's so bad. Any thoughts or advice ? HELP !!!! :help:

As temperature increases, resistance increases...so no, that's not a surprise and if the wire is corroded this would exacerbate the problem. Definitely sounds like the wiring harness given that you replaced the battery and your alternator tested ok, but you should follow the prescribed steps to isolate the problem for sure. While very annoying (went through this myself a year or two back), this is not a very difficult or expensive problem to fix. If it's the voltage regulator it's pretty easy to fix as well, and you can buy them for ~ $30. As JFP would tell you, these are the same as used by various other vehicles including some VWs, Audis, and even Fords.

Posted

Thanks for all your advice fellas , this issue really has me stumped , so everything you can think of causing this problem will help ! I'll try all prescribed above, and am now thinking it COULD be a wiring problem ? Just how many wires should I replace to make sure ? #1 How many are there, #2 any ideas where I can order them all from, and most important, #3 where exactly are they located at on the vehicle ? Does anyone have a diagram of suspected wires , and where they are at ? Since this has caused me SO MANY headaches, and wires are fairly inexpensive, I will replace all of them, to make sure. I even thought of "adding" an "additional ground strap" from the motor to the chassis to make sure I've covered everything, do you think thats a good idea ? Can anyone advise on the latter, I will do this when I return from my trip to Germany in August. Perhaps I'll stop by the factory in Stuttgart whilst over there and have a word with them about this , LOL ! Thanks for any other ideas, and the wires that I need to replace ? Cheers Dave. :thankyou:

  • Moderators
Posted

Thanks for all your advice fellas , this issue really has me stumped , so everything you can think of causing this problem will help ! I'll try all prescribed above, and am now thinking it COULD be a wiring problem ? Just how many wires should I replace to make sure ? #1 How many are there, #2 any ideas where I can order them all from, and most important, #3 where exactly are they located at on the vehicle ? Does anyone have a diagram of suspected wires , and where they are at ? Since this has caused me SO MANY headaches, and wires are fairly inexpensive, I will replace all of them, to make sure. I even thought of "adding" an "additional ground strap" from the motor to the chassis to make sure I've covered everything, do you think thats a good idea ? Can anyone advise on the latter, I will do this when I return from my trip to Germany in August. Perhaps I'll stop by the factory in Stuttgart whilst over there and have a word with them about this , LOL ! Thanks for any other ideas, and the wires that I need to replace ? Cheers Dave. :thankyou:

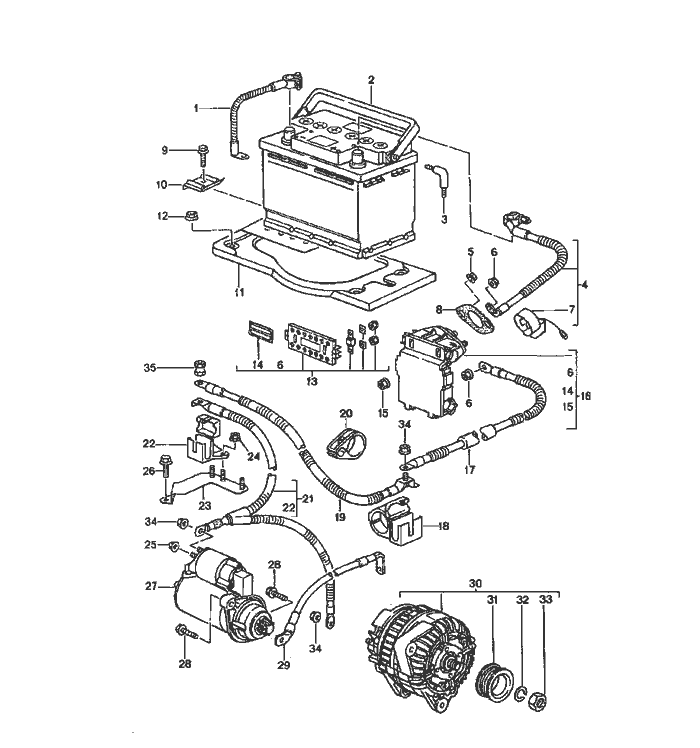
Here ya go:

996tt dia.jpg

Excessive resistance, particularly in the ground straps, is a well documented problem with these cars. Porsche has even released updated cables to address the issue. Some of the cables are not fun to get at, but when they show signs of problems, they have to be replaced.

Posted (edited)

JFP, correct me if I'm wrong but I think 2002 has this diagram instead?

post-5282-0-64334300-1372188539_thumb.gi

Edited by Ahsai
Posted (edited)

Dave,

As Silver said, it should not be too difficult to track down the problem(s). All you need is a $15 multimeter. Run your engine till warm and the low voltage shows up, then let it idle and turn on the a/c and the low beam. The current draw from the alternator should now be ~50A. You can then do the following tests.

I drew a diagram with the corresponding parts.

post-5282-0-77556800-1372189387_thumb.jp post-5282-0-70326800-1372275820_thumb.gi

Test #1: check voltage drop between point "C" (alternator casing) and "B-" (call that V(C, B-)). Note "B+' and "B-" are the actual battery terminals, not the cable connectors on the terminals. This test shows total voltage lost between the alternator and the battery on the ground side. Expect 0.2v or less. If your ground strap is bad, it will show up in this test.

Test #2: check V(A, B+) where "A" = alternator output at the back of the alternator that you can't see (use an inspection mirror) and expect ~0.5v or less. "A" is hard to get to. I fabricated a J-shape hook using a stiff insulated wire and just literally probe it blindly from behind. Wear protective goggles here since you will be close to the drive belt, a hot engine, and the always LIVE "A". This test shows total voltage lost between the alternator and the battery on the power side.

Test #3: check V(A, J) and expect ~0.2v. This tests #21, which is the infamous cable that can corrode and Porsche has also revised it.

Test #4: check V(J, B+) and expect ~0.3v or less.

Test #5: check V(A, C), your alternator output and expect 13.5v or higher.

Your problem is gonna show up in one of the tests above.

Edited by Ahsai
  • Like 2
Posted

Thank you very much Ahsai ! I suppose I'll have to get some very long wires to do most of these tests from the engine bay to the front of the car where the battery is ? Will they have to be a thick gauge wire to get the correct readings ? Unless I' m reading your post wrong. I assume the v is voltage ? Not to sure exactly what you mean in the first sentence, perhaps I'm reading too much into it ? Great post though. Thank you very much !

Posted (edited)

Thank you very much Ahsai ! I suppose I'll have to get some very long wires to do most of these tests from the engine bay to the front of the car where the battery is ? Will they have to be a thick gauge wire to get the correct readings ? Unless I' m reading your post wrong. I assume the v is voltage ? Not to sure exactly what you mean in the first sentence, perhaps I'm reading too much into it ? Great post though. Thank you very much !

Any wire will do since we're measruing voltage and not current. The multimeter has about 10 mega ohm internal resistance when measuring voltage so the extra resistance of the long wires you add to the probes will have no appreciable effect at all.

In fact, I prefer thinner wires (gauge #22 or thinner) since they limit the current/damage in case you short them out by mistake. Yes, "V" is voltage. V(x,y) is just a short hand for voltage drop between point x and point y. The above tests seem like a lot but in reality, you should be able to finish all of them in 5 minutes, if that once you have the meter and wires set up.

Again wear safety goggles and pay attention to those always LIVE terminals/connections (i.e., A, J, and B+) and not to short those out to the ground side(chassis of the car). Keep in mind there's really no mystery. It's all physics that can be measured and diagnosed. Definitely not worth trading the car in!!

Edited by Ahsai
Posted

Thank you very much Ahsai ! I suppose I'll have to get some very long wires to do most of these tests from the engine bay to the front of the car where the battery is ? Will they have to be a thick gauge wire to get the correct readings ? Unless I' m reading your post wrong. I assume the v is voltage ? Not to sure exactly what you mean in the first sentence, perhaps I'm reading too much into it ? Great post though. Thank you very much !

Any wire will do since we're measruing voltage and not current. The multimeter has about 10 mega ohm internal resistance when measuring voltage so the extra resistance of the long wires you add to the probes will have no appreciable effect at all.

In fact, I prefer thinner wires (gauage #22 or thinner) since they limit the current/damage in case you short them out by mistake. Yes, "V" is voltage. V(x,y) is just a short hand for voltage drop between point x and point y. The above tests seem like a lot but in reality, you should be able to finish all of them in 5 minutes, if that once you have the meter and wires set up.

Again wear safety goggles and pay attention to those always LIVE terminals/connections (i.e., A, J, and B+) and not to short those out to the ground side(chassis of the car). Keep in mind there's really no mystery. It's all physics that can be measured and diagnosed. Definitely not worth trading the car in!!

  • 1 year later...
Posted (edited)

I had the same symptoms as you. Alternator also tested fine on the bench but I replaced the regulator anyways. That was my problem.

Stupid easy to do following the how to's on pelican. I'd do the regulator ($40 on pelican) 1st before chasing ground issues.

Edited by AWDGuy
  • Upvote 1
Posted

Thank you very much Ahsai ! I suppose I'll have to get some very long wires to do most of these tests from the engine bay to the front of the car where the battery is ? Will they have to be a thick gauge wire to get the correct readings ? Unless I' m reading your post wrong. I assume the v is voltage ? Not to sure exactly what you mean in the first sentence, perhaps I'm reading too much into it ? Great post though. Thank you very much !

You can use the jump start post in the engine bay.  These give an almost identical voltage reading to the battery terminals on my car. The earth point is near the air filter box and is one of the bolts that holds the box and the +ve terminal is inside a plastic cover on the right side of the engine bay above the p/s pump.

Posted

Ok Thanks Hilux 2400, anyone else got any input on this topic ?

Any other theories about this are appreciated as this has been plaguing me and another local 996 owner I know for ages.

 

Also if I do need a new alternator, as I said in a previous post, one from the dealer is silly money $$$ of course, a foreign car parts place here in Daytona wants about $365.00 for a Bosch rebuilt, but Auto zone, Pep boys, Napa, and O'Reily's auto parts all have them for about $ 155.00 to $180.00 , and some with a lifetime warranty, anyone got an opinion on these ? The price is sure right ! Thanks Dave.  

Posted (edited)

No experience with the $155-180 ones. Most likely they don't come with a pulley or they come with a fixed pulley. My impression is a decent rebuilt one with the proper pulley will set you back $350-500 from Bosch.

Edited by Ahsai
Posted

I had this same issue on my 99 cab, replaced alternator, battery still no joy--problem was the wiring harness from alternator to starter, cheap to fix and a DIY.

Good luck

Posted

I had this same issue on my 99 cab, replaced alternator, battery still no joy--problem was the wiring harness from alternator to starter, cheap to fix and a DIY.

Good luck

 Butch did you have the "HEAT" issue ?

As I said for the first 5 or 6 miles (or about 10 minutes running time) everything was fine ,voltage was "about" 13.4 to 13.7 volts or so, then AFTER about 5 or 6 miles, or 10 mins, when the motor heats up it started dropping, how could this affect that , the wiring harness that is, was yours a heat issue, or that way from initial start up ? I'm not an electronics engineer, but it's a connection, not an electronic device ? Perhaps I'm wrong , could heat increase the resistance on a connection like that ? Anyone know about that ? Thanks Dave

  • Moderators
Posted

 

I had this same issue on my 99 cab, replaced alternator, battery still no joy--problem was the wiring harness from alternator to starter, cheap to fix and a DIY.

Good luck

 Butch did you have the "HEAT" issue ?

As I said for the first 5 or 6 miles (or about 10 minutes running time) everything was fine ,voltage was "about" 13.4 to 13.7 volts or so, then AFTER about 5 or 6 miles, or 10 mins, when the motor heats up it started dropping, how could this affect that , the wiring harness that is, was yours a heat issue, or that way from initial start up ? I'm not an electronics engineer, but it's a connection, not an electronic device ? Perhaps I'm wrong , could heat increase the resistance on a connection like that ? Anyone know about that ? Thanks Dave

 

 

Corrosion build up causes resistance to rise in the cables, add heat, it goes even higher.  This is a common Porsche 996 issue, with its own TSB and updated cables to help prevent the problems.

  • 3 years later...
Posted

HI Ahsai

 

To make test 3 how can I reach the positive starter terminal is there a shortcut?

AS the starter is behind the admission it will be hard to reach.

 

Tks and great job on the description.

Create an account or sign in to comment

You need to be a member in order to leave a comment

Create an account

Sign up for a new account in our community. It's easy!

Register a new account

Sign in

Already have an account? Sign in here.

Sign In Now
×
×
  • Create New...

Important Information

We have placed cookies on your device to help make this website better. You can adjust your cookie settings, otherwise we'll assume you're okay to continue.