Jump to content

Welcome to RennTech.org Community, Guest

There are many great features available to you once you register at RennTech.org
You are free to view posts here, but you must log in to reply to existing posts, or to start your own new topic. Like most online communities, there are costs involved to maintain a site like this - so we encourage our members to subscribe or donate. All subscriptions and donations go to the costs operating and maintaining this site. We prefer that guests take part in our community and we offer a lot in return to those willing to join our corner of the Porsche world. This site is 99 percent member supported (less than 1 percent comes from advertising) - so please consider an annual subscription or donation to keep this site running.

Here are some of the features available - once you subscribe RennTech.org

  • View Classified Ads
  • DIY Tutorials
  • Porsche TSB Listings (limited)
  • VIN Decoder
  • Special Offers
  • Paint Codes
  • Registry
  • Videos System
  • View Reviews
  • and get rid of this welcome message

It takes just a few minutes to register, and it's quality Porsche information at a low cost.

Contributing Members also get these additional benefits:
(you become a Contributing Member by subscribing or donating money to the operation of this site)

  • No ads - advertisements are removed
  • Access the Contributors Only Forum
  • Contributing Members Only Downloads
  • Send attachments with PMs
  • All image/file storage limits are substantially increased for all Contributing Members
  • Option Codes Lookup
  • VIN Option Lookups (limited)

Recommended Posts

Posted

I've had a few ideas for a few projects on the Porsche, and they involve adding features with new dashboard buttons.

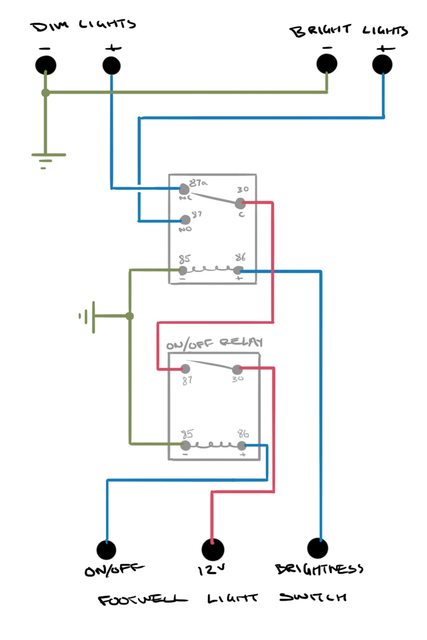
I'm quite new to electronics, so I just want to check I'm right in thinking these would work. The original dashboard buttons have 5 pins - left button, right button, 12v, backlit LED and active LED. I'm only interested in the first three for now, so each diagram has a switch with three terminals.

Would these work?

OEM dashboard Footwell lights button with two-stage brightness

6YVJF8fl.jpg

One-touch roof with emergency stop button

tHQkHxTl.jpg

OEM dashboard spoiler button (one-touch)

RoQPnJJl.jpg

The 'timer' relays are timed delay relays, with times set on each one via the on-chip dial.

If someone could check that, that'll be great :)

Thanks!

Create an account or sign in to comment

You need to be a member in order to leave a comment

Create an account

Sign up for a new account in our community. It's easy!

Register a new account

Sign in

Already have an account? Sign in here.

Sign In Now
×
×
  • Create New...

Important Information

We have placed cookies on your device to help make this website better. You can adjust your cookie settings, otherwise we'll assume you're okay to continue.