Jump to content

Welcome to RennTech.org Community, Guest

There are many great features available to you once you register at RennTech.org
You are free to view posts here, but you must log in to reply to existing posts, or to start your own new topic. Like most online communities, there are costs involved to maintain a site like this - so we encourage our members to subscribe or donate. All subscriptions and donations go to the costs operating and maintaining this site. We prefer that guests take part in our community and we offer a lot in return to those willing to join our corner of the Porsche world. This site is 99 percent member supported (less than 1 percent comes from advertising) - so please consider an annual subscription or donation to keep this site running.

Here are some of the features available - once you subscribe RennTech.org

  • View Classified Ads
  • DIY Tutorials
  • Porsche TSB Listings (limited)
  • VIN Decoder
  • Special Offers
  • Paint Codes
  • Registry
  • Videos System
  • View Reviews
  • and get rid of this welcome message

It takes just a few minutes to register, and it's quality Porsche information at a low cost.

Contributing Members also get these additional benefits:
(you become a Contributing Member by subscribing or donating money to the operation of this site)

  • No ads - advertisements are removed
  • Access the Contributors Only Forum
  • Contributing Members Only Downloads
  • Send attachments with PMs
  • All image/file storage limits are substantially increased for all Contributing Members
  • Option Codes Lookup
  • VIN Option Lookups (limited)

Recommended Posts

Posted

Hi Folks,

I have had somewhat of a checkered history with my 911 - the fun factor has been diluted by lots of niggles like squeaking windows and creaking dashboards - basically stuff that I might have expected in 'lesser' car. Also the 5 point speeding ticket I got last weekend took the sheen off a bit but that was nothing to having just found out how my insurance company are going to use that as an excuse to gouge me for the next three years - still thats hardly the car's fault. One thing this is driving me nuts though is the cars tendency to bulk when trying to shift quickly from 2nd to 3rd. It just seems to take two stabs to engage sometimes which is annoying as when you are shifting quickly you are usually keen to accelerate quickly and theres nothing like the car refusing to take the next cog for killing forward momentum. The dealer says that the boxes are quite slow by nature and that they have to be stroked around rather than slotted home quickly (which is a little odd for an out and out sports car). Anyone else had this problem?

Steve

Posted

That is not normal and you should have that checked.. It could be a shift cable issue. I have had 4 Porsches.. 2 996's a 997 Carrera S and a 997 Turbo. None of my cars ever had an issue going from second to third gear. If it's your shift cable it's not a big issue. Just an adjustment.

What kind of car did you drive before the 911? Maybe you just have to adjust to the Porsche gearbox.

Hope this helps..

Posted

Thanks for the feedback Phillip - appreciated. I didn't drive for a few years before this car as I had moved to New York from London and had no need to but I've always driven manual cars in the past. I wonder whether it might be something to do with the fact that I'm used to changing gear with my right hand - perhaps I'm overcompensating / undercompensating with the movement. I think maybe I should ask to test drive another 911 at the dealer and see if the same thing happens - I guess that would sort out whether there was a problem once and for all. They have already adjusted the cables at the dealership. The car only has 12500 miles on it so would be amazed if it were a gearbox / clutch issue. Having said that every now and then, when pulling away from rest and slipping the clutch a little I do hear a bit of a squealing sound from the back of the car. I wonder if that might be related. Food for thought.

Posted

It's possble that you have an issue with the clutch but not likely. Unless you are really hard on clutches they last for a long time. I agree I would drive anothe 911 and see if you get the same feeling.

Good luck and let us know what you find!

  • 2 months later...
Posted

I had a similar issue when tracking my 997.1 C2S for the first time, except it was while heel-toeing down from 3rd to 2nd. I discovered quickly that I was throwing the shifter too forcefully & too far into the corner of the box & thus missing the sweet spot. Result...slow corner, irritated track mates. A soft but deliberate shift always works.

Posted

Hi Folks,

I have had somewhat of a checkered history with my 911 - the fun factor has been diluted by lots of niggles like squeaking windows and creaking dashboards - basically stuff that I might have expected in 'lesser' car. Also the 5 point speeding ticket I got last weekend took the sheen off a bit but that was nothing to having just found out how my insurance company are going to use that as an excuse to gouge me for the next three years - still thats hardly the car's fault. One thing this is driving me nuts though is the cars tendency to bulk when trying to shift quickly from 2nd to 3rd. It just seems to take two stabs to engage sometimes which is annoying as when you are shifting quickly you are usually keen to accelerate quickly and theres nothing like the car refusing to take the next cog for killing forward momentum. The dealer says that the boxes are quite slow by nature and that they have to be stroked around rather than slotted home quickly (which is a little odd for an out and out sports car). Anyone else had this problem?

Steve

How fast do you have to get caught going to get a 5 point ticket ?

  • 3 weeks later...
Posted (edited)

not realizing you are in a 25mph zone on a 3 lane highways does it.....!

Hi Folks,

I have had somewhat of a checkered history with my 911 - the fun factor has been diluted by lots of niggles like squeaking windows and creaking dashboards - basically stuff that I might have expected in 'lesser' car. Also the 5 point speeding ticket I got last weekend took the sheen off a bit but that was nothing to having just found out how my insurance company are going to use that as an excuse to gouge me for the next three years - still thats hardly the car's fault. One thing this is driving me nuts though is the cars tendency to bulk when trying to shift quickly from 2nd to 3rd. It just seems to take two stabs to engage sometimes which is annoying as when you are shifting quickly you are usually keen to accelerate quickly and theres nothing like the car refusing to take the next cog for killing forward momentum. The dealer says that the boxes are quite slow by nature and that they have to be stroked around rather than slotted home quickly (which is a little odd for an out and out sports car). Anyone else had this problem?

Steve

How fast do you have to get caught going to get a 5 point ticket ?

Edited by man_on_an_island
Posted (edited)

Oh that is nasty...

Have you resolved your shifting issues? I would suggest a Porsche short shift kit if you are still unhappy.. I have one on my Turbo and I love it..

Phillip

Edited by phillipj
Posted

Thanks for asking Philip. I had thought I had, well maybe I had given up on it, but after the dealer telling me that 'they all shift like that' I had sort of resigned myself to being VERY deliberate with my shifts to third and got used to thinking that the occasional balk is just part of the Porsche experience. I had even started to bond a with the car a little more! But last weekend I took it away for with my wife and it was being so uncooperative that I thought 'this is ridiculous! I've got to take it back to the dealer!' so I think I will. Really not sure what the next move is when they say it's fine and I say it's not! I'm a little concerned that a short shifter might exacerbate the problem though? Maybe I dont really appreciate how they work? I'm pining after a PDK car now :-)

Sent from my iPhone

Posted

Does the fault lessen if the gearbox is hot? A short shifter will increase the effort needed to engage a gear.

Posted (edited)

Thanks for asking Philip. I had thought I had, well maybe I had given up on it, but after the dealer telling me that 'they all shift like that' I had sort of resigned myself to being VERY deliberate with my shifts to third and got used to thinking that the occasional balk is just part of the Porsche experience. I had even started to bond a with the car a little more! But last weekend I took it away for with my wife and it was being so uncooperative that I thought 'this is ridiculous! I've got to take it back to the dealer!' so I think I will. Really not sure what the next move is when they say it's fine and I say it's not! I'm a little concerned that a short shifter might exacerbate the problem though? Maybe I dont really appreciate how they work? I'm pining after a PDK car now :-)

Sent from my iPhone

That is not normal. I have never had an issue with any of my gear boxes.. I would go to the dealer .. Have they let you drive another car to see if you have the same feeling? Your dealer sounds like an idiot. If they don't give you satisfaction I would go direct to Porsche, There is no way a Porsche 6 speed manual box has to be "massaged" or "stroked around" into gear. I fly through the gears in my car. Never an issue.

Edited by phillipj
Posted

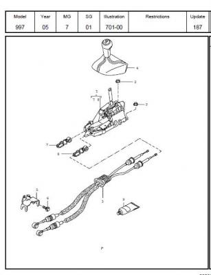
The part 7 and 8 are the adjusters for the cables. Maybe

you need a little adjustment.

I would drive another car to compare. I drove a car with a short shifter

and it shifted just fine.

post-13642-0-16190800-1310684387_thumb.j

I would pull the shift boot and go thru the gears. I would then add

Vaseline to any surface that seemed a little tight. Vaseline

is a petrolume by product.

Paul

Create an account or sign in to comment

You need to be a member in order to leave a comment

Create an account

Sign up for a new account in our community. It's easy!

Register a new account

Sign in

Already have an account? Sign in here.

Sign In Now
×
×
  • Create New...

Important Information

We have placed cookies on your device to help make this website better. You can adjust your cookie settings, otherwise we'll assume you're okay to continue.