Jump to content

Welcome to RennTech.org Community, Guest

There are many great features available to you once you register at RennTech.org
You are free to view posts here, but you must log in to reply to existing posts, or to start your own new topic. Like most online communities, there are costs involved to maintain a site like this - so we encourage our members to subscribe or donate. All subscriptions and donations go to the costs operating and maintaining this site. We prefer that guests take part in our community and we offer a lot in return to those willing to join our corner of the Porsche world. This site is 99 percent member supported (less than 1 percent comes from advertising) - so please consider an annual subscription or donation to keep this site running.

Here are some of the features available - once you subscribe RennTech.org

  • View Classified Ads
  • DIY Tutorials
  • Porsche TSB Listings (limited)
  • VIN Decoder
  • Special Offers
  • Paint Codes
  • Registry
  • Videos System
  • View Reviews
  • and get rid of this welcome message

It takes just a few minutes to register, and it's quality Porsche information at a low cost.

Contributing Members also get these additional benefits:
(you become a Contributing Member by subscribing or donating money to the operation of this site)

  • No ads - advertisements are removed
  • Access the Contributors Only Forum
  • Contributing Members Only Downloads
  • Send attachments with PMs
  • All image/file storage limits are substantially increased for all Contributing Members
  • Option Codes Lookup
  • VIN Option Lookups (limited)

Recommended Posts

Posted

I'm thinking about trying the simple "RWD mode" on my .1 C4S ; my understanding is you can just disconnect the half shafts in the front and the car should run just fine. (front diff will still spin but since it's not connected to anything that's no problem).

Anyway, my question is - are there any DIY's on half shaft removal/install ? Is this a reasonable home DIY?

Posted

You should not do this. The car has wheel

spin sensors connected to the computer that

removal of the front axles could mess your car

up.

To removal the axle you will need to dis-connect one or more

of the a-arms so you swing the wheel carrier

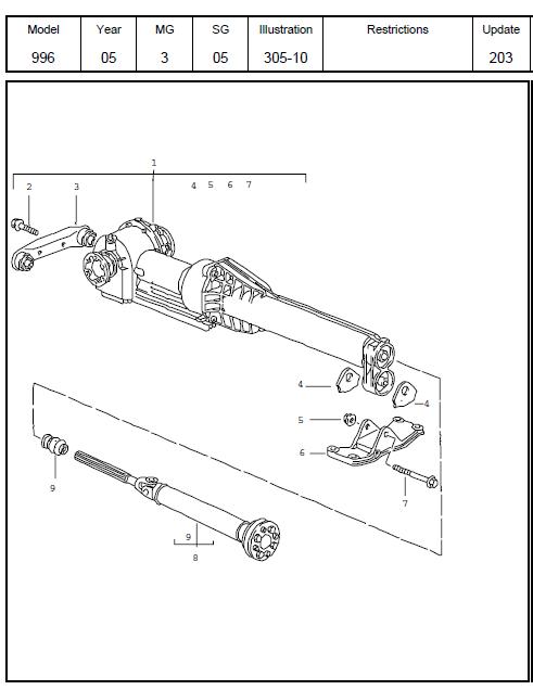
out of the way. Here is a picture of the axle.

post-13642-0-72116000-1315066818_thumb.j

Paul

Posted

You should not do this. The car has wheel

spin sensors connected to the computer that

removal of the front axles could mess your car

up.

I think this fear is unfounded; a lot of people are worried about the effect on PSM, but all my reading indicates no problems related to that. (for example, this is a pretty common mod on Turbos and I've never heard of them having a computer-related problem)

I do believe you're right that the half shafts is the wrong way to go, it seems like a huge pain in the butt - CV boot grease, axles well stuck in the wheel hubs,etc. not for me!

A little reading indicates the easier way to go might be disconnecting the main drive shaft that goes from the transmission to the front diff.

Posted

At least there might be a universal joint in the

front axle. This is an old picture of a 996 car. I

do not have a 997 4 drive on my computer.

Most universals are held in with circle clips

but I have heard of pressed in universals on

less expensive cars.

I have taken universals apart which is somewhat

easy but it is much harder putting a new one in.

post-13642-0-91793200-1315183104_thumb.j

Paul

Posted

I'm thinking about trying the simple "RWD mode" on my .1 C4S ; my understanding is you can just disconnect the half shafts in the front and the car should run just fine. (front diff will still spin but since it's not connected to anything that's no problem).

Anyway, my question is - are there any DIY's on half shaft removal/install ? Is this a reasonable home DIY?

Why bother? What do you expect to gain?

In any case the VC mostly remains flaccid, non-functional, due to Trac activation/intervention so you wouldn't be accomplishing much.

Create an account or sign in to comment

You need to be a member in order to leave a comment

Create an account

Sign up for a new account in our community. It's easy!

Register a new account

Sign in

Already have an account? Sign in here.

Sign In Now
×
×
  • Create New...

Important Information

We have placed cookies on your device to help make this website better. You can adjust your cookie settings, otherwise we'll assume you're okay to continue.