Jump to content

Welcome to RennTech.org Community, Guest

There are many great features available to you once you register at RennTech.org
You are free to view posts here, but you must log in to reply to existing posts, or to start your own new topic. Like most online communities, there are costs involved to maintain a site like this - so we encourage our members to subscribe or donate. All subscriptions and donations go to the costs operating and maintaining this site. We prefer that guests take part in our community and we offer a lot in return to those willing to join our corner of the Porsche world. This site is 99 percent member supported (less than 1 percent comes from advertising) - so please consider an annual subscription or donation to keep this site running.

Here are some of the features available - once you subscribe RennTech.org

  • View Classified Ads
  • DIY Tutorials
  • Porsche TSB Listings (limited)
  • VIN Decoder
  • Special Offers
  • Paint Codes
  • Registry
  • Videos System
  • View Reviews
  • and get rid of this welcome message

It takes just a few minutes to register, and it's quality Porsche information at a low cost.

Contributing Members also get these additional benefits:
(you become a Contributing Member by subscribing or donating money to the operation of this site)

  • No ads - advertisements are removed
  • Access the Contributors Only Forum
  • Contributing Members Only Downloads
  • Send attachments with PMs
  • All image/file storage limits are substantially increased for all Contributing Members
  • Option Codes Lookup
  • VIN Option Lookups (limited)

Recommended Posts

Posted

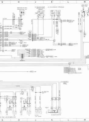
My light is on, but I've had the sensors tied up for years. I'll check resistance across them tonight.

However, on other cars there was also a brake fluid level sensor in the same circuit. Are the wear sensors the only thing on this circuit, or is it possible something else may have caused the light to come on (fluid level is currently topped off)?

Posted

When people tie up the wear sensors.....

The connection usually corrodes in the wheel well area and causes the light to come back on... in my experience..

Posted

I had a problem with the brake pad sensor light being on for several years. Checked and replace the sensors but could not get the light off and just got used to it. Then on day I took the liner out from the top storage area to adjust the rears on my PSS9's and saw what appeared to be charring on a label on one of the main wiring harness runs. Started separating the harness at that point and found a melted brown ground wire. Over a period of three days out came the rear seat, carpet, etc. etc. soon I had the harness split all apart, probably 100 wires at some points, and continued to trace out the wire with melted insulation. It had partially melted the insulation on surrounding wire, some of which I repaired with liquid electrical tape.

I finally determined that is was the ground wire for the brake pad sensors. And there were several larger gauge ground wires that fed back to this smaller one. I ended up cutting out the bad wire and running a new ground wire. The problem was fixed and has never returned. I never have figured what caused the short that melted the wire, but if this had been a dealer repair it would have been thousands of dollars and I am guessing tha the would have ordered a new wiring harness.

Create an account or sign in to comment

You need to be a member in order to leave a comment

Create an account

Sign up for a new account in our community. It's easy!

Register a new account

Sign in

Already have an account? Sign in here.

Sign In Now
×
×
  • Create New...

Important Information

We have placed cookies on your device to help make this website better. You can adjust your cookie settings, otherwise we'll assume you're okay to continue.