Jump to content

Welcome to RennTech.org Community, Guest

There are many great features available to you once you register at RennTech.org
You are free to view posts here, but you must log in to reply to existing posts, or to start your own new topic. Like most online communities, there are costs involved to maintain a site like this - so we encourage our members to subscribe or donate. All subscriptions and donations go to the costs operating and maintaining this site. We prefer that guests take part in our community and we offer a lot in return to those willing to join our corner of the Porsche world. This site is 99 percent member supported (less than 1 percent comes from advertising) - so please consider an annual subscription or donation to keep this site running.

Here are some of the features available - once you subscribe RennTech.org

  • View Classified Ads
  • DIY Tutorials
  • Porsche TSB Listings (limited)
  • VIN Decoder
  • Special Offers
  • Paint Codes
  • Registry
  • Videos System
  • View Reviews
  • and get rid of this welcome message

It takes just a few minutes to register, and it's quality Porsche information at a low cost.

Contributing Members also get these additional benefits:
(you become a Contributing Member by subscribing or donating money to the operation of this site)

  • No ads - advertisements are removed
  • Access the Contributors Only Forum
  • Contributing Members Only Downloads
  • Send attachments with PMs
  • All image/file storage limits are substantially increased for all Contributing Members
  • Option Codes Lookup
  • VIN Option Lookups (limited)

Recommended Posts

Posted

My 2000 Boxster is making a strange sound that seems to emanate from the passenger side mirror. I thought it was a wind noise, but when I take my foot off the gas it goes away. It is always the same pitch--does not go up and down with the car's speed. It happens mostly between 20 and 50 MPH, but maybe I just don't hear it at higher speeds. Could it possibly be a brake pad wear signal? Does anyone have ideas for me? It's really distracting!

  • Upvote 1
Posted (edited)

I have the same strange noise that sounds like a train horn between 30-50 mph on my 2003 Boxster 2.7. I will follow your thread

Edited by tolum
Posted

Did some search on the net. By what I found, many Boxster owners have or had that problem. The most precise answer I got, but still not sure at 100% if it was the culprit is a part from the fuel system named Valve housing P/N 996.201.231.01 but as I said, I'm not 100% sure, so maybe some body else can confirm that???

Thierry

Posted (edited)

Update: I have ordered Shut Off Valve P/N 99660520101 @ $70.54 from Sunset Imports (Jeff). I will install it end of July when back from holidays. I'll let you know the result. See att. drawing...

Thierry

post-1-020534600 1277922263_thumb.jpg

Edited by Loren
made image viewable here
Posted

Update: I have ordered Shut Off Valve P/N 99660520101 @ $70.54 from Sunset Imports (Jeff). I will install it end of July when back from holidays. I'll let you know the result. See att. drawing...

Thierry

post-1-020534600 1277922263_thumb.jpg

How the heck do you get to that area to work on it?
Posted

Remove the front right wheel. Remove the plastic liner in the wheel section and look up. You should see the fuel tube that is aluminum color and the back of the fuel port and valves.

Thierry

  • Admin
Posted

Update: I have ordered Shut Off Valve P/N 99660520101 @ $70.54 from Sunset Imports (Jeff). I will install it end of July when back from holidays. I'll let you know the result. See att. drawing...

Thierry

post-1-020534600 1277922263_thumb.jpg

How the heck do you get to that area to work on it?

Most of what you need to know is covered in this DIY Tutorial - http://www.renntech.org/forums/index.php?/tutorials/article/45-replacing-the-gasfuel-door-actuator/

  • 1 month later...
Posted

Update: I have ordered Shut Off Valve P/N 99660520101 @ $70.54 from Sunset Imports (Jeff). I will install it end of July when back from holidays. I'll let you know the result. See att. drawing...

Thierry

post-1-020534600 1277922263_thumb.jpg

Do you have any results to report? I'm anxiously awaiting. Thanks!

Posted

Did change that valve. No change, noise still there. I will order the second one that is just nect to that one and see. Should get the valve in few days. Will keep you posted.

Thierry

Posted

For about a year I've noticed a strange whistling / kazoo sound that appeared to come from the passenger side mirror area. Just 2 weeks ago my son, sitting in the passenger seat, finally isolated the problem to be around the exterior upper right hand side windshield / rubber trim area. With the top down, and while traveling at a particular freeway speed, when the area is pressed or is shielded with a hand, the noise completely stops.

I haven't tried to eliminate the problem as of yet since I rarely am able to achieve "freeway" speeds due to recent freeway construction.

Posted

On my side, that noise stops when I put a piece of duct tape on the vent inside the fuel filler section at 3 O'clock when looking in it.

Still waiting for a part to make a try. If it works you will know it.

Thierry

  • 2 weeks later...
Posted

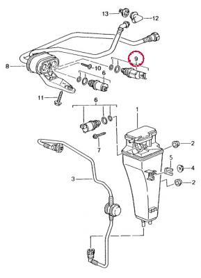
Ok, finally got the second part and it works! Noise is finally gone! That one was the broken one. So if you look to the drawing I did post above, the first electric valve I did change was item #6 that goes in the valve housing item #8. It wasn't the problem. So I decide to order the second valve that goes in that valve housing, item #9 that is P/N 996.605.213.01 and that time it was the right one. So your problem is maybe related to item #6 or item #9 or both. I paid $46.13 at Sunset Imports (Jeff).

Accessing that valve housing is done by 1- Removing passenger front wheel and plastic well. Valve housing will be at top right of the wheel well just behind the front headlight. The housing is bolted up there, so unbolt it.

The best way to access and remove the valves from the housing is done by going by the front headlight that you have to remove first. Use a flash light and you will see the valve housing that you just unbolt.. Inplug power from the valves (both terminals are different, you can't mix them. There is a plastic sleeve that cover the valves. Use a Torx screw driver to remove it. Pry gently the valve metalllic ring and voilà!

:thumbup:

See att. picture of the broken valve.

post-20096-033066400 1283449708_thumb.jp

  • Upvote 1
Posted

Ok, finally got the second part and it works! Noise is finally gone! That one was the broken one. So if you look to the drawing I did post above, the first electric valve I did change was item #6 that goes in the valve housing item #8. It wasn't the problem. So I decide to order the second valve that goes in that valve housing, item #9 that is P/N 996.605.213.01 and that time it was the right one. So your problem is maybe related to item #6 or item #9 or both. I paid $46.13 at Sunset Imports (Jeff).

Accessing that valve housing is done by 1- Removing passenger front wheel and plastic well. Valve housing will be at top right of the wheel well just behind the front headlight. The housing is bolted up there, so unbolt it.

The best way to access and remove the valves from the housing is done by going by the front headlight that you have to remove first. Use a flash light and you will see the valve housing that you just unbolt.. Inplug power from the valves (both terminals are different, you can't mix them. There is a plastic sleeve that cover the valves. Use a Torx screw driver to remove it. Pry gently the valve metalllic ring and voilà!

:thumbup:

See att. picture of the broken valve.

Thanks, Tolum! I'm not a DIY'er so I'm going to print out this whole thread and show it to my mechanic. Wish me luck...

  • 2 months later...
Posted

I got the part and was thinking about arranging for installation when my "check engine" light came on. The whistling had gotten terrible, to the point where it would occur even when idling. I loaned the car to my close friend and he decided to fix the problem while I was out of town. He and his gear-head pal pulled the wheel, liner and headlight, and installed the new valve. Noise gone! Then he took the car to a shop where they ran the check engine light code and it was about the EC valve. So they cleared the code, the light went out, and the car runs perfectly! Thanks Tolum! Internet at its best...

Posted

No problem. Now enjoy the REAL PURE sound of your Boxster... Mine is now winterised. Will start it again in May.

Thierry

  • 1 year later...
Posted

Tolum got it right and my mechanic has been struggling with this for years! I have a bone stock 2003 Boxster S 3.2L 85,000 miles, with the same whistling / kazoo / howling / blowing into a bottle sound. It has made this sound for years. Finally it got so bad that it was making the noise at an idle. I replaced the Carbon Cont Value 996 605 213 01. It has been a week since I replaced the value and the whistling has not returned. In addition it fixed what I had thought was a minor vacuum leak, manifesting as a low rpm stumble or flat spot between idle and 2000 rpm, vastly improving the drivability of the car at low rpms (think crowded 5 mph parking garage).

To replace, remove the passenger side headlight. Look into the fender with a flashlight and you will see two values that appear identical, you want to replace the second value but will need to remove the first to get access to the second. Remove the electrical connection from the first value. The electrical connections and the valve seats are different so you cannot accidently get them mixed up. On my car I used a T-25 torx to remove the screw between the two valves. The torx was in so tight I needed to use a ¼ ratchet with a 3 inch extension, any longer and it will not fix in the fender, any shorter and it will not clear the first valve. Once the screw is removed, slide up the collar holding the values down. Using a flat screw driver (I used a panel puller) gently pry up the first value and set it aside. Mine came out easily. Now pry the second value out, disconnect the electrical. Keep everything clean, I had a few sand particles around the value seats. You do not what sand on the O-ring seals or in the evap system. Reverse to reinstall. It took me about an hour most of which was getting my tools ready and protecting the painted services and then putting everything back. The actual procedure takes minutes if you do not drop the screw in the fender!

  • 6 months later...
Posted

I have a 98 Boxster, and for the life of me cannot find where 996.605.213.01 goes - I don't see any valve housing. Was this added post-2000? I did change 996.605.201.01 on the evap canister.

  • Admin
Posted

I have a 98 Boxster, and for the life of me cannot find where 996.605.213.01 goes - I don't see any valve housing. Was this added post-2000? I did change 996.605.201.01 on the evap canister.

All model years US cars...

post-1-0-53989500-1365364758_thumb.jpg

Posted

Well, I looked and looked in the wheel well, and did not see anything that looked like number 8 in the photo above - there was especially nothing just behind the passenger headlight that looked anything like that. I think I'll just have to see if replacing the one fixes the issue - if it does, no worries I guess.

  • 3 years later...

Create an account or sign in to comment

You need to be a member in order to leave a comment

Create an account

Sign up for a new account in our community. It's easy!

Register a new account

Sign in

Already have an account? Sign in here.

Sign In Now
×
×
  • Create New...

Important Information

We have placed cookies on your device to help make this website better. You can adjust your cookie settings, otherwise we'll assume you're okay to continue.