Jump to content

Welcome to RennTech.org Community, Guest

There are many great features available to you once you register at RennTech.org
You are free to view posts here, but you must log in to reply to existing posts, or to start your own new topic. Like most online communities, there are costs involved to maintain a site like this - so we encourage our members to subscribe or donate. All subscriptions and donations go to the costs operating and maintaining this site. We prefer that guests take part in our community and we offer a lot in return to those willing to join our corner of the Porsche world. This site is 99 percent member supported (less than 1 percent comes from advertising) - so please consider an annual subscription or donation to keep this site running.

Here are some of the features available - once you subscribe RennTech.org

  • View Classified Ads
  • DIY Tutorials
  • Porsche TSB Listings (limited)
  • VIN Decoder
  • Special Offers
  • Paint Codes
  • Registry
  • Videos System
  • View Reviews
  • and get rid of this welcome message

It takes just a few minutes to register, and it's quality Porsche information at a low cost.

Contributing Members also get these additional benefits:
(you become a Contributing Member by subscribing or donating money to the operation of this site)

  • No ads - advertisements are removed
  • Access the Contributors Only Forum
  • Contributing Members Only Downloads
  • Send attachments with PMs
  • All image/file storage limits are substantially increased for all Contributing Members
  • Option Codes Lookup
  • VIN Option Lookups (limited)

Recommended Posts

Posted

Hello,

I have a 2008 Cayenne S and the centre vent has stopped letting any air through (it worked last summer). 

I have searched the forum and found many references to the control servos failing and that they are a pain to get to - but no pictures.

 

Does anyone have any photos or an exploded parts diagram showing where these servos are? Or how to get at them? I have read that there are twelve servos associated with the A/C airflow. 

 

Thanks,

John

Posted

Thank you - that helps. Any chance there is a picture of where that first picture's equipment is located or how to access it? 

 

Thanks.

Posted

That whole air box including the blower (grayed out in the first diagram) should live under the right side of the dash for most cars. So try to look behind your glove box area.

Posted

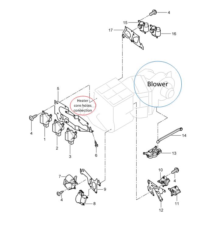
Circled in red are the spouts that connect the heater core to the engine coolant hoses through the firewall so perhaps you can trace from the engine side to locate the assembly better.

 

Circled in blue is the blower motor.

post-5282-0-89400500-1403223977_thumb.jp

Posted

The 3 little Servos on the left side which are very hard to get at are common failures on Gen1 Cayennes. There is a lot of info on problems with then in the archives here and on Rennlist. I have a fault in one of mine but haven't gotten around to fixing it myself as access is a pain.

Posted

Thank you for all the information. I have had the glovebox out before to install an iPod interface so I am not too worried about that - but I ma guessing that this will entail a lot of swearing at the very least. 

My service guy is very good about only charging for actual labor - but the factory repair manual calls for 8 hours so I thought I'd do it myself over a weekend. And if I am digging all the way in to the air box / flap / controller thing it might be worth replacing all the servos but I checked and they are rather expensive. 

Maybe I'll live with it for a while and save the effort and money - but we are only just starting summer here...

 

Thanks,

John 

  • 10 years later...
Posted

I know it's an old thread, but I was looking for the same diagram for a 2011 Cayenne.  The Auto Atlanta site doesn't seem to have it.  Is there some alternate way to access it?  As an FYI, the links provided earlier in this thread for the previous generation Cayenne do work, but impossible to find by browsing on their website).  Hopefully someone can help me get to that diagram, and thanks in advance

Create an account or sign in to comment

You need to be a member in order to leave a comment

Create an account

Sign up for a new account in our community. It's easy!

Register a new account

Sign in

Already have an account? Sign in here.

Sign In Now
×
×
  • Create New...

Important Information

We have placed cookies on your device to help make this website better. You can adjust your cookie settings, otherwise we'll assume you're okay to continue.