Jump to content

Welcome to RennTech.org Community, Guest

There are many great features available to you once you register at RennTech.org
You are free to view posts here, but you must log in to reply to existing posts, or to start your own new topic. Like most online communities, there are costs involved to maintain a site like this - so we encourage our members to subscribe or donate. All subscriptions and donations go to the costs operating and maintaining this site. We prefer that guests take part in our community and we offer a lot in return to those willing to join our corner of the Porsche world. This site is 99 percent member supported (less than 1 percent comes from advertising) - so please consider an annual subscription or donation to keep this site running.

Here are some of the features available - once you subscribe RennTech.org

  • View Classified Ads
  • DIY Tutorials
  • Porsche TSB Listings (limited)
  • VIN Decoder
  • Special Offers
  • Paint Codes
  • Registry
  • Videos System
  • View Reviews
  • and get rid of this welcome message

It takes just a few minutes to register, and it's quality Porsche information at a low cost.

Contributing Members also get these additional benefits:
(you become a Contributing Member by subscribing or donating money to the operation of this site)

  • No ads - advertisements are removed
  • Access the Contributors Only Forum
  • Contributing Members Only Downloads
  • Send attachments with PMs
  • All image/file storage limits are substantially increased for all Contributing Members
  • Option Codes Lookup
  • VIN Option Lookups (limited)

Recommended Posts

Posted

I am not sure of the exact operation of a 2005 Cayenne so looking to this board for advice on whether this mode of operation is as per design or actually a fault.

 

The issue I have is when I unlock the car using the remote keyfob, all doors open as expected but when I lock the doors, it appears that all doors lock except the tailgate (glass and main lid)  I can still open these doors for a short time after the main car is locked. Then if I do go ahead and open either of the tailgate doors, the hazard lights start flashing but no audio alert as if to inform me that the car has been broken into.  

 

If I leave the car for a while after I lock the car then I can no longer open the tailgate so clearly the system is working but not as I expect it to.

 

Is this as per design or actually a fault?

Posted

Not 100% sure as my key fob batter died and I now operate manually but the operation above sounds like when you lock, it is not locking at all.  If you can "still open doors for a short time" then it is not locked, locking is immediate.   I too find when I leave it unlocked opening some doors after a time will trigger hazard lights flashing but when I leave it unlocked it stays unlocked. 

I think your issue is when you lock it it does not lock, and when it remains unlocked it locks on it's own.  The hazard lights are normal when opening after system goes to sleep.

I hope this helps.

Posted

Hi, where can I obtain a wiring diagram for the tailgate, switches and sensors please? I think I have a serious electrical problem which prevents me from using the internal tailgate release switch and the remote control but the button on the tailgate appears to work fine as does the glass section.

Posted

Thank you Rick150, this diagram appears to be centred around the Rear Window Button and Rear Window Handle Push Button. Is there also a diagram that shows the rear tailgate lid and the connection to the internal release button on the drivers door?

Posted

Thank you Rick150, I can't quite make out some of the areas in the diagram, is it possible to show where the tail lid connections are?

Posted

Well I have had a look through the 12500 pages and haven't come across the actual latch but when I do I will post it. Here is what I found so far. Sorry about the size but it's a little difficult to post from the format I have.

 

 

Driver door button.png

Driver control unit2.png

Rear wiring harness.png

  • 3 weeks later...
Posted

Hi @Rick150, thank you for these diagrams, they are very useful.  Looking at the last diagram you posted, the wires appear to go into a "Rear Comfort Systems Control Unit" (Right Rear Cargo Area).  Do you happen to know where I can find this unit and is it prone to going bad ? I saw a module with the reference number: 7l0959933 is it this one ? many thanks

Posted

Unlikely it is the control module but something attached to it. The Tilt Sensor on the boot lid probably telling the module the lid is being opened.

 

Be careful if you remove the module as it is voltage sensitive, turn off the ignition and remove the key!

 

Check the switches, connectors for corrosion etc. (there is also a buzzer on the lid)

 

Check the catch control rod.

Tilt sensor.png

Lid control ID.png

Tilt sensor1.png

Posted (edited)

Thanks @Rick150, do all cars have a tilt sensor as I couldn't see one on mine when I looked yesterday or could it be built into the actual locking mechanism as shown on the diagram as for some reason there are some electronics within the lock (not the actuator). There are three wires going into the lock with pins HR, VR and Term 31. Do HR and VR correspond to Horizontal and Vertical positions? 

 

Also, if the sensor was sending bad signals back to the control unit, wouldn't the car send a warning message to the driver indicating that the tailgate is open whilst driving?

 

There is nothing called a tilt sensor shown on this exploded diagram (please bear in mind that my tailgate is not self opening).

 

components.thumb.png.24fcbd95c3d0d4b1c372528d6fa83b79.png

Edited by Willow5
Posted

I just don't know about you specific model, all I can suggest is you get a workshop manual for yours if you intend to keep it and use logic in your fault finding procedures.

 

There was a service man who charged $250 for giving a bit of equipment a kick to get it going, the customer complained that it was an exorbitant price to pay for just a kick but the serviceman said the charge was for knowledge, knowing where to kick.

 

They are complicated vehicles but with logic you will track down the fault. I will help you best I can but being remote I have to rely on your fault finding ability, logic and intuition. 

Keep me posted.

  • 2 weeks later...
Posted

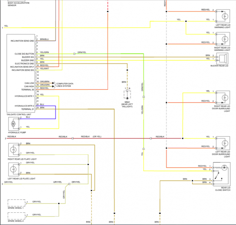
Hi @Rick150, I think your diagrams are spot on as I can find most of the parts you indicated.

 

However, what I need to trace is button 17 in the diagram below right through to the tailgate actuator.  

 

 image.thumb.png.9c86f9eba0f94287932df09bd0e578ec.png

Looking at your earlier post, the wiring going into this switch appears to have the same colour code as the "Right Rear Door Central Locking Button" and the "Left Rear Door Central Locking Button" but the button itself is not called either one of these; instead it is called the "Rear Lid Release" (part #95561315900).  I can't seem to trace the wiring from this switch right through to the "Rear Comfort Systems Control Unit" and out to the "Rear Lid Actuator".  Are there any additional diagrams you can offer ?

 

Many thanks 

 

957 PDL2.png

 

Posted (edited)

@Rick150, do you happen to have the rest of this diagram please and how the rear comfort unit connects to the front of the vehicle?

 

I have done some extensive troubleshooting but still cannot locate the fault. The switch in the drivers door has voltage and the swotch itself is fine so I expect the problem lies between the front control units and the rear but I don't know where the cables are run to see whether there is a break somewhere i.e.under the transmission tunnel/centre console or the passenger footwells - do you know this information?

 

Clearly there is power going to the rear tailgate and soft close unit as both are functional when the button on the tailgate is depressed. 

 

So I am running out of options. Any ideas what or where I should test next? The only other observation is that, despite replacing the battery for a brand new battery, the instrument panel seems dim and flickers, is this a sign of a malfunction or battery drain somewhere?

 

Many thanks for all your help!

 

 

Rear1.thumb.png.6de8392e2b46151ec7e325636fd6ea29.png

Edited by Willow5
Posted

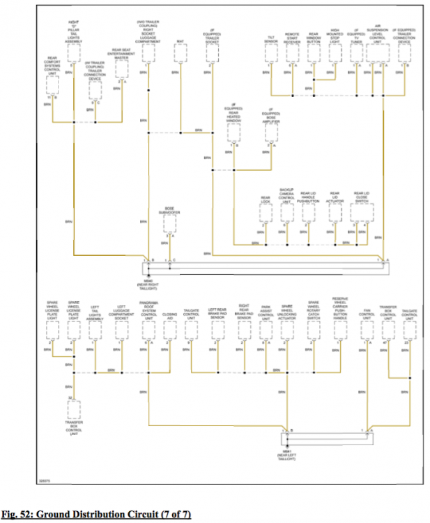
Could be 'ground' problems, terminal MB40 for the Rear Comfort Systems Control Unit is near the right tail light which includes Lid actuator etc. There are many brown (BRN) that go to the body. Also another (MB41) near left tail light. Ground for some rear relays (MB23) on left side of dash. These ground terminations also service other electronics and it could be why your instrument light flickers.  The Cayenne multiple grounds through the galvanised welded body to provide a low resistance path, should just one of these have resistance go high the electronics can do wearied things.  Most electronics seeing anything other than a few ohms can read it as something else and get confused.

Included are 'Ground Bonding' locations to check.

'Connector locations' in case you have a corrosion issue.

'Main Wiring Harness' routing.

 

Grounds.png

Connectors.png

Main Wiring Harness.png

Posted

Thank you @Rick150. How do you actually test a ground point please? 

 

Also do you have the other part lf the previous wiring diagram I attached please?

 

Many thanks

Posted

Place an OHM meter from the wire to the stud, there should be less than 2 OHMS. Unbolt the Ground nut and clean with  a 3M pad or if you don't have one use pot scouring plastic pad, don't use sand paper as it leaves small practicals embedded in the soft copper or tin.

 

Get a manual from www.usomanutenzione.it for your model Cayenne. I will continue to look through about the 12,500 pages and I don't keep a record of what I sent you.

 

Most likely a connector or Ground issue.

 

 

GND_Dist.png

Posted (edited)

Hi @Rick150So after some troubleshooting, I found the dredded corroded wire syndrome near the battery - all the spliced connections have some corrosion. In total there are 5 pairs of wires.

 

I haven't yet repaired them but wondered if you could let me know which wires do which function ? There are several large black wires all connected together but I think brown is ground on this car, not black?

Edited by Willow5
Posted

Brown is true ground but black is used all over the wiring, sometimes used as reference for a control circuit, sometimes it says could be BLK or BRN but I see some black wires have voltage on them. If the wires are Black then they are being used for ground but don't treat other Black wires in the car as ground. If you have this problem then look at the other bonding points, get ahead of the game.

 

I sent you the Ground points, which one is it, GP25?

 

Posted

Hi @Rick150, so the black wire coming out of relay 433 is connected to several other large black wires, it is this connection that I am querying as funnily enough there is also a problem with the starter motor.  It doesn't start 1st time, always needs to be cranked 2 or 3 times before the car will start. The starter motor tries to start the engine then dies then I hear the starter motor spinning freely without engaging the flywheel then it finally starts the car. Given that relay 433 is connected to the car's ignition system, could this explain the reason behind this particular problem? 

Posted

Electrical problems can be elusive. Do one repair at a time, take note of what's changed then as you fix them you will gain knowledge and hunches as to what the problems are. I have no idea if that starting problem is related.

 

  • 2 weeks later...
Posted (edited)

Hi @Rick150, sorry for the delay, I have been troubleshooting this over the past few weeks. So tonight, I think one of the grounding points could have possibly been the reason for this problem.  The ground point in question from your diagram is MB26 (under the UK side drivers seat). It was barely hand tight and has 2 pairs of heavy duty brown wires going into this junction. When I tried tightening it up, unfortunately the bolt snapped which means I now have a problem. Do you know how I can remove this bolt and renew it? It looks like it is bolted down but a standard 12mm socket seems too large while an 11mm socket is too small. Are these ground points welded down or bolted down? 

Edited by Willow5
Posted

They are welded, need to grind it off from below, drill 8mm hole, fit the replacement by welding it underneath to the body. Stud should be M6, normally that would be 10mm socket for the nut. Tightening torque is 6.5ftlb.

Screen Shot 2020-03-09 at 7.00.39 PM.png

  • Thanks 1

Create an account or sign in to comment

You need to be a member in order to leave a comment

Create an account

Sign up for a new account in our community. It's easy!

Register a new account

Sign in

Already have an account? Sign in here.

Sign In Now
×
×
  • Create New...

Important Information

We have placed cookies on your device to help make this website better. You can adjust your cookie settings, otherwise we'll assume you're okay to continue.