Jump to content

Welcome to RennTech.org Community, Guest

There are many great features available to you once you register at RennTech.org
You are free to view posts here, but you must log in to reply to existing posts, or to start your own new topic. Like most online communities, there are costs involved to maintain a site like this - so we encourage our members to donate. All donations go to the costs operating and maintaining this site. We prefer that guests take part in our community and we offer a lot in return to those willing to join our corner of the Porsche world. This site is 99 percent member supported (less than 1 percent comes from advertising) - so please consider an annual donation to keep this site running.

Here are some of the features available - once you register at RennTech.org

  • View Classified Ads
  • DIY Tutorials
  • Porsche TSB Listings (limited)
  • VIN Decoder
  • Special Offers
  • OBD II P-Codes
  • Paint Codes
  • Registry
  • Videos System
  • View Reviews
  • and get rid of this welcome message

It takes just a few minutes to register, and it's FREE

Contributing Members also get these additional benefits:
(you become a Contributing Member by donating money to the operation of this site)

  • No ads - advertisements are removed
  • Access the Contributors Only Forum
  • Contributing Members Only Downloads
  • Send attachments with PMs
  • All image/file storage limits are substantially increased for all Contributing Members
  • Option Codes Lookup
  • VIN Option Lookups (limited)

Recommended Posts

Posted (edited)

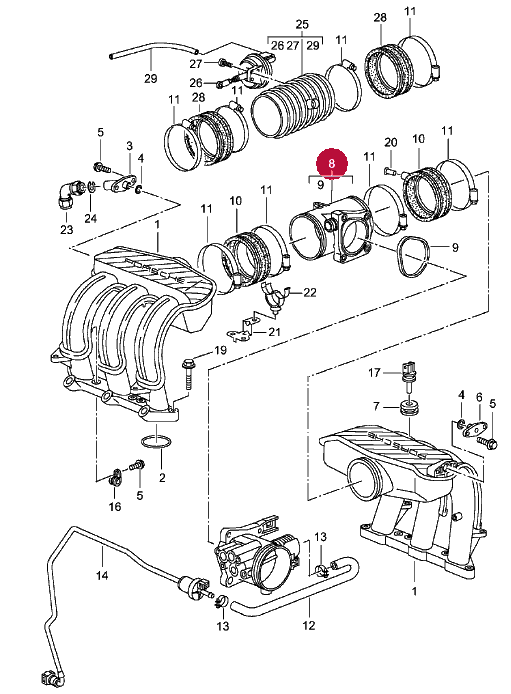
This is a very hard hose with only two ends with special locking clips on each end that is part of the hose. One end goes into the the Intermediate piece part number 99611021553 right where the throttle body bolts to. The other end goes into some type of canister. I was cleaning the throttle body and one of the locking pieces broke. No dealer or Pelican Parts people can figure the part number, I really hate to take hose off to get number, Any help will be greatly appreciated

Edited by zman1858
Posted (edited)

This is a very hard hose with only two ends with special locking clips on each end that is part of the hose. One end goes into the the Intermediate piece part number 99611021553 right where the throttle body bolts to. The other end goes into some type of canister. I was cleaning the throttle body and one of the locking pieces broke. No dealer or Pelican Parts people can figure the part number, I really hate to take hose off to get number, Any help will be greatly appreciated

Are you possibly referring to the "j-tube" that goes to the Air Oil Separator?

The red arrows are pointing to it here, as it passes under the transmission shifter cables:

post-6627-127376232251_thumb.jpg

Here is the other end where it goes into the side of the throttle body tube:

post-6627-127376207514_thumb.jpg

Note these photos are from a '98. Later 986's have a "Y" tube arrangement rather than a "J" tube that leads to the AOS.

If that is the hose you are referring to, here are the part numbers(referred to as part #5 in the PET), depending on your year and engine type (M 96.20,.21,.22,.23,.24.etc.):

5 996 107 145 06 Vent Line 1 M 96.20

M 65X 01420 >>

(5) 996 107 146 00 Vent Line 1 M 96.21/22

M 96.23/24

Regards, Maurice.

Edited by 1schoir

Create an account or sign in to comment

You need to be a member in order to leave a comment

Create an account

Sign up for a new account in our community. It's easy!

Register a new account

Sign in

Already have an account? Sign in here.

Sign In Now
×
×
  • Create New...

Important Information

We have placed cookies on your device to help make this website better. You can adjust your cookie settings, otherwise we'll assume you're okay to continue.