Jump to content

Welcome to RennTech.org Community, Guest

There are many great features available to you once you register at RennTech.org
You are free to view posts here, but you must log in to reply to existing posts, or to start your own new topic. Like most online communities, there are costs involved to maintain a site like this - so we encourage our members to donate. All donations go to the costs operating and maintaining this site. We prefer that guests take part in our community and we offer a lot in return to those willing to join our corner of the Porsche world. This site is 99 percent member supported (less than 1 percent comes from advertising) - so please consider an annual donation to keep this site running.

Here are some of the features available - once you register at RennTech.org

  • View Classified Ads
  • DIY Tutorials
  • Porsche TSB Listings (limited)
  • VIN Decoder
  • Special Offers
  • OBD II P-Codes
  • Paint Codes
  • Registry
  • Videos System
  • View Reviews
  • and get rid of this welcome message

It takes just a few minutes to register, and it's FREE

Contributing Members also get these additional benefits:
(you become a Contributing Member by donating money to the operation of this site)

  • No ads - advertisements are removed
  • Access the Contributors Only Forum
  • Contributing Members Only Downloads
  • Send attachments with PMs
  • All image/file storage limits are substantially increased for all Contributing Members
  • Option Codes Lookup
  • VIN Option Lookups (limited)

Loren

Admin
  • Posts

    37,813
  • Joined

  • Days Won

    631

Everything posted by Loren

  1. Not really - like the quote says that pump runs for a max of 179 seconds (just under 3 minutes). These engines are already putting outs lots of HP/liter as it is. (IMHO) With late model Porsche's there is not much to be gained with mods. If you want a lot more power you move up to a GT3 or TT. The TT responds pretty well to specific mods - but then you have to ask yourself if you really need 750-800 HP (and can handle it).
  2. More than you likely want to know... "Auxiliary Air Pump To reduce pollutants contained in the exhaust gas during the warm-up phase and to achieve the emission limits of the roll test in the USA, USA vehicles have a secondary air system. For this reason, an electric air pump has been mounted on the left-hand side of the engine compartment. This pump is activated by the DME control unit and blows the additional air through air ducts to the discharge valve. A pneumatic switching valve which is closed when the secondary air system is inactive thus preventing the flow of additional air is installed between the air pump and the discharge valve. Functioning If the engine is started in a temperature range between minus 10.5° C and plus 45° C, the secondary air system is activated for a period of time dependent on the start temperature (min. 50 seconds, max. 179 seconds). The secondary air system is only activated if the following engine-related operating conditions apply: - Engine load (TL) between 0.7 ms/rev, and 4.7 ms/rev. - Air mass (ML) not greater than 300 kg/h - Engine speed between 680 rpm and 2,800 rpm - Altitude adaptation factor greater than 0.76 corresponding to less than 2,400 meters above sea level."
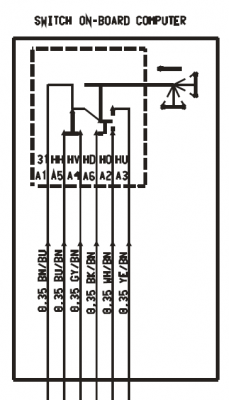
  3. On a MY02 and newer cluster there 6 wires to the OBC not 5. Pin A1 (Brown/Blue) off the stalk needs to go to component ground.
  4. Bill, Just to be clear - Anne will need to find a (in her case) MY02 or newer C2 cab so that I can perform the programming. Since your procedure includes "3. Open (or close) the top slightly so the top cover is out of the closed position," - it can't be programmed using a coupe. Correct?
  5. On the left is the CD Changer with 6 pins. A1 = 1 A2 = 2 On the DVD Player - would be easier if you had the connector (as it is likely numbered). A1 should be ground and chassis ground - so if you take an ohm meter there should be zero resistance between pin A1 and the chassis. If I had a first guess I would guess the top right pin in your pic is A1. A2 should be the next pin in the A1. On the DVD Player only A1, A2, and A5 are used. A3 and A4 are for diagnosis so they are not normally connected. And A6, A7, and A8 are not connected.
  6. That could be a real challenge. The 997 NAV and CDC-4 communicate with fiber optic cables (MOST network). Did you salvage those too? On the DVD Player A1 is ground and A2 is power. You will need the fiber optic cables off B1 and B2 also. On the CDC-4 A2 is ground and A1 is power. B! and B2 are fiber optic again. With that said I have no idea if they will function onside of the car over the network or if they still need at least one network controller. Let us know how you make out...
  7. The Durametric Tool does some special things with Porsches that factory tools costing thousands of dollars can do. So I don't thing you can compare that to a more generic ISO tool. If you need the features of the Durametric software then you might want to consider it plus the Car Code OBD-2 Vehicle Explorer Scan Tool that I reviewed here.
  8. Sorry, guys the 996 wiring is not even close to a 997. 997 series cars have easily 10 times more CAN (network) and CAN controllers - that all interact. Apples and Oranges really.
  9. A few pics from yesterdays Work Cars Day... Can this be a Boxster cluster? (project 1) Done a few of these too... Once again proof of how easy these cars are to work on... Back to that cluster... (installing a 996 cluster in a Boxster) Adding one wire from the cluster to the engine compartment oil pressure sending unit Where the new (996) sending unit goes... Installed and wires connected MY2001 Boxster with a fully functional 996 cluster and a B&M short shifter. Special thanks to Anne (she did most of the work - including providing lunch) and Rich (who took most of the pics). Anne is pretty good at this stuff I think she could give Eileen in the Bay Area a good contest :lol:
  10. Mike your list is out of date. The latest Approved Oils List is dated April 11, 2007.
  11. Try 6781 or 6779
  12. You can download your radio owners manual here.
  13. It was an option. Option M476 - Porsche Stability Management (PSM).
  14. You need to give us your radio serial number not your car's VIN. If you read through some of the posts here (in this thread) you see how to get your serial number to display. http://www.renntech.org/forums/index.php?s...ost&p=74043
  15. It appears that all of that communication now resides on the CAN bus - so nothing is on pin 9 of 997's. The only signal that looks close to me is one called "Engine Speed Sensor" on C45 of the DME.
  16. Please the thread here.
  17. M9670-643 with X50 is a 340 KW (or about 462 HP).
  18. Back on topic please - this thread is for those that own one of these tools & are willing to help folks.
  19. Yes, together. http://www.renntech.org/forums/index.php?s...ost&p=83062 Thanks Loren. Now I know that my Lo speed fans are not working. At one point only the passenger Lo speed fan came on at the lower temp. And "our famous Tooner"(Sorry I have the word Looser on my mind) tried to convince me that Only the passenger Lo speed fan comes on at the low temp setpoint!! But he even somehow managed to disable the Pass Side Lo speed fan on one of my many drop-offs at his shop after his allegation that the "job was complete". Thank you again. The fans are controlled by the DME which is getting (shared) information from the cluster. This is why Todd said it was important to get all the pieces that work together. There is a lot of communication on the CAN bus on the MY02 and newer cars that just was not there in the MY01 and older cars.
  20. Please using Search next time... Hood/Trunk Latch Release Removal/Install
  21. Hmm... I just went through the 9 page list of Porsche approved oils (dated April 11, 2007) and Amsoil is not there.
  22. It would be helpful if you would state the model and year of car... (it does vary by year)
×
×
  • Create New...

Important Information

We have placed cookies on your device to help make this website better. You can adjust your cookie settings, otherwise we'll assume you're okay to continue.